电气自动化 基于PLC的模拟交通信号灯控制系统
本设计在一条四车道并人行道的道路交叉口的监控情况,并说明了该控制系统的原理,说明了控制系统的主要硬 件部分组成,并说明了在南北,东西直行车线,南北,东西左转车道,南北,东西人行车线上的主要工作流程,运用plc的 选型,i/o的设定以及道路交通灯光的变换过程等工作方面做出了深入分析,运用plc的选型,i/o点的设定以及道路灯 光的变换过程等工作方面也做出了深入分析,通过运用plc的红黄绿灯来监控道路
系统简介
本设计在一条四车道并人行道的道路交叉口的监控情况,并说明了该控制系统的原理,说明了控制系统的主要硬 件部分组成,并说明了在南北,东西直行车线,南北,东西左转车道,南北,东西人行车线上的主要工作流程,运用plc的 选型,i/o的设定以及道路交通灯光的变换过程等工作方面做出了深入分析,运用plc的选型,i/o点的设定以及道路灯 光的变换过程等工作方面也做出了深入分析,通过运用plc的红黄绿灯来监控道路,并在不同方位配置了plc显示屏。
关键词:plc;交通灯;可编程序控制器
1绪论
在现代都市中,随着人口增加和汽车,城市越来越拥堵,因此人类的安全问题就显得更加关键。因此,良好的交通灯控制,给人以交通拥堵和非法管理的技术创新。同时提高了道路交通指挥力量,可降低事故的发生数量。交通信号灯人们的安全出行十分安全。传统的交通灯控制系统一般是通过电子电路与继电器,内部结构繁杂,稳定性较低,失效概率,以及功能的变化来完成。而可编程控制器(PLC)以微处理器为内核,具有高可靠度,强大的管理性能,方便使用等。因为在PLC内设置了数字时钟,可以利用PLC管理交通灯的怠慢。另外,由于PLC还带有链接到因特网的功能,也可以把时间相同的汽车统一调整到通过局域网(LAN)的方式管理道路交通灯,以缩短车辆等待时间,同时进行管理。
2交通灯的总体设计方案
2.1常见的2种设计方案
(1)数字电路是我们现在最常见的一个控制电路,如若使用纯数字电路设计脚本控制系统,则实现任务比较艰难,且由于集成电路较为繁杂,针对整个集成电路以及各个组成部分集成电路的设计工作接线也十分复杂,而且易于错误,最主要的原因是控制系统不够灵活性,一旦要求改变,则必须重复设计电路图,并且错误的时候也无法检测。数字和模拟集成电路相结合时,因为所使用的集成电路和使用的元器件都必须较大的电压才能工作,对工程人员的业务素质要求也较高,当器件出现问题时,工作维护人员对集成电路的检测也非常不方便,而针对当今电子技术日益精细化的今天,此方法也不应该提倡,所以不宜大量采用。
(2)PLC是一个专为在工业环境下使用而设计的数字运算控制的电气控制系统设备,应当是一种比较理想的自动控制器选项。PLC采用可程序设计的寄存器系统,在其存储器提供逻辑算法、序列统计、定时器、计量和算术运算等控制指令,能利用大数字量或模拟数的输入与输出,控制各种各样的机器及制造流程。因此PLC自动控件的程序设计比较简单、易懂。并且plc出现故障比较容易解决。所以本篇推荐用plc来控制交通灯。
2.2方案的比较
在第一类方法中,因为是采用单片机,而且需要独立设计供电,所以接线上会比较麻烦一点;对程序设计人员而言,使用汇编语言程序的产品设计会更困难一点。因为单片微型机的价钱虽然低廉,但只是普通可编程控制器的千分之一以下,它的容积也极小,只需在控制电路板上设计一块很小的空隙就能够装配,不过与它的特性相比PLC并不是很稳定。在二种情形下,由于使用了可编程逻辑控制器结构,而且可编程逻辑逻辑控制器有一个内部的电源,其接线也要容易,在程序设计时,因为程序设计方式都是使用了梯形图,所以也是相当直接的,当然也会比较简单;而且可编程逻辑控制器有相当好的工作稳定能力,抗干扰技术能力也相当高,在通常状况下都能够安全管理工作三十年之久。这也就是最必要的交通灯系统设计。对二种方法而言,主要表现在控制器所选用的不同上。因为这一区别,就形成了在编程方法、电源方式、成本高低、成品体积、使用稳定度等一连串的方面,都有所不同。
2.3方案的选择
针对以上方案,综合考虑了各方面的原因,主要在价格方面,当选择用可编程控制器来设计交通灯时,不但性能稳定,并且安装后可以用上三十多年,而且具备了很大的市场竞争力,并分析从编程、可编程、易学易懂、单片机编程难等问题。再次从安装、安装、维护等方面进行了分析,保证了系统的维护和稳定运行,并在一些地方可能有点复杂,但也不是太难解决,所以我最终选择了基于可编程控制器的交通灯设计。
3 交通灯的硬件设计
3.1plc的选型
可编程序控制台将是一个全新的通用自动控制设备,它将是老式的继电器控制、计算机和通讯技术,但拥有超强的控制功能,安全性高、使用方便、容易扩展等效益,应用越来越广泛。但因为当时工业的生产工作条件较差,许多干扰源,如因大功率工业用电设备起动或停机时引发电网电压震荡而形成的低频扰动、电焊接、电火花机床、电器刷工频扰动等所形成的电气耦合等,均会危害到可编程控制器的工作。
3.1.1输入输出(I/O)点数的估算
I/O点数估算时应选择恰当的剩余量,一般按照已计算的入口或输出点数,再加上百分之十~百分之二十个的可扩充。余量后,为输入输出点量的估计数据。实际订货时,还须针对制造厂商PLC的生产特性,对输入与输出点数加以调节。
3.1.2存储器容量的估算
内存容积指可编程序控制器自身能够供应的硬件内存单位多少,而程序容量则是内存中用户运行工作项目选择的内存单位的总量,所以程序容量也等于计算机内存容积。产品设计期间,因为用户软件还尚未开发,所以,程序容量在产品设计期间是不定的,需在程式设计调试后才能得知。为设计选型时能使程式的容积作必要估算,一般选用对内存容积的估算来替换。存储器内存容积的估计并不是一成不变的公式方法,在很多文章参考资料中提供了各种公式方法,但大致上都是按实际数字量I/O点数的10~15倍,再乘以模拟I/O点数的一百倍,此数即为整个存储的总字数(16位为单个字),另外再按此数的百分之二十五再考察剩余。
3.1.3控制功能的选择
该选择包括运算功能、控制功能、通信功能、编程功能、诊断功能和处理速度等特性的选择。
(1)PLC的类型
PLC按结构分为整体型和模块型两类,按应用环境分为现场安装和控制室安装两类;按CPU字长分为1位、4位、8位、16位、32位、64位等。从应用角度出发,通常可按控制功能或输入输出点数选型。
(2)电源的选择
PLC的供水电源方面,除在进口电气设备的时候进口PLC并按照生产指示书规定工程设计和选型之外,通常PLC的供水电源也可工程设计为采用二百二十VAC供电系统,与国内外电网电压基本相同。在重大的应用场所,还可选择不中断供水或稳压电源供水。当PLC本身具备了可利用能源条件后,就应该审查输出的电压能否符合应用条件,否则就可设计外接供开关电源。而为了避免外高压开关电源因误动作而直接进入PLC中,对输入与输出电路之间的隔断是必不可少的,有时还可通过简单的二极体或熔丝管隔断。
(3)存储器的选型
随着电脑集成芯片技术的进展,存储器的价值也已降低,所以,为了确保实际应用工程项目的顺利投运,通常需要PLC的最大存储器容积,按下256个I/O点必须选八K存储器的选项。要求更繁杂的功能时,则应选用容积更大,品位也更高的存储设备。综上所述,我选择了FX2N-48MR,因为我平时上课与这种型号的plc接触的比较多,所以对于这种PLC比较熟悉,而且这款PLC的输出输出比较符合我的这款设计。
3.2系统设计流程图
分析系统控制要求设计如下图
图3-1主干道控制图
3.3交通灯的I/o分配表
硬件结构设计需要熟悉各个对象的控制条件,并分析对象的限制条件,确定输入/输出(I/O)端口的相对位置,并决定其控制参数的准确度和选型。包括对开关数量,模拟数的限制,以及用户存储设备的最大存储容量等。选用最理想的PLC型号和外设,以实现PLC的硬件结构设计。由于功能需要,可计算出I/O浮点数,并针对I/O点数和各种特殊功能的需要,选用了FX2N-48MR型PC机。继电器出口,进入二十四点,出口二十四点,交流电源,24V直流进口类型。FX二N是FX系统中能力最大、速度最快的迷你PLC,内置最大用户寄存器为八K步,可扩充至十六K步,最高可扩充至256个I/O点,并具有各种特定功能扩充,满足各种特定的功用(PID、高速计数、A/D、D/A、等)。并具有功能强大的数学命令集。使用通讯扩展板以及特定适配器,可进行各种通讯与数字连接。本系列一共采用了六个输入端子,以及十个输出端子。根据上述选型标准与控制条件,编写PLC控制系统交通灯的I/O接口设备表,具体I/O的数量分配见下表:
表3-3 交通灯i/o设备表
输入信号 输出信号
正常循环 X00 南北主干道绿灯 Y00
启动按钮 X01 南北主干道黄灯 Y01
停止按钮 X02 南北主干道红灯 Y02
南北人行道红灯 Y03
南北人行道绿灯 Y04
东西主干道红灯 Y10
东西主干道绿灯 Y11
东西主干道黄灯 Y12
东西人行道绿灯 Y13
东西人行道红灯 Y14
3.4十字路口交通灯示意图
该模拟交通信号灯分为南北和东西两个方向,分别由绿、黄、红三种颜色,在PLC交通灯模拟模块中,主干道东
西南北每面都有3个控制灯:
图3-4 十字路口交通灯模拟控制图
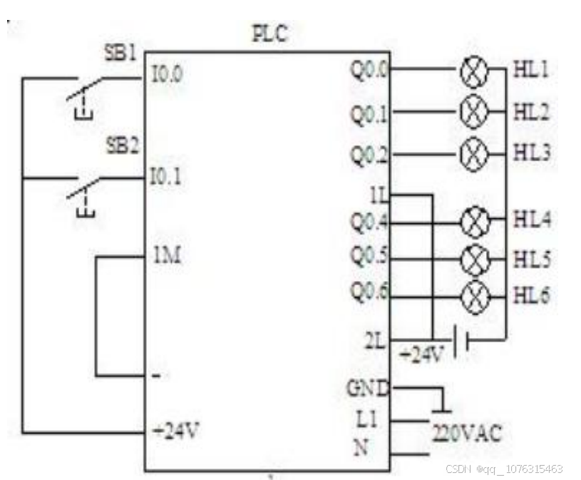
3.5交通灯PLC控制硬件接线图
正常序列也可以由可编程控制器(PLC)的。利用PLC成为监控装置的中心装置,来完成逻辑计算,序列管理,定时器,计算包括许多面对使用者的命令的算术运算,包括利用数据或模拟输入/输出控制各种各样的机器设计或制造流程的;它通常采用模块化结构,因此程式简易,维护也简便。
图3-5 plc硬件接线图
3.6交通灯PLC梯形图的编写
电器原理图
plc外部接线图
4 远程监控系统设计与实现
4.1mcgs的简介
MCGS系统是一种采用Windows网络平台的、可以迅速建立并进行上位机监控与管理系统的组态软件系统,可执行于Microsoftwindows95/98/NT/2000等应用。MCGS嵌入式管理系统由组态工作环境、模拟运行工作环境和执行工作环境三个部门组成。组态环境与虚拟运行环境共同组成了一套完善的工具软件,与配套的PLC系统连接或者通过自己的语言就可以操作。使用者也可以按照自身的实际需求来完成对MCGS组态软件的仿真。MCGS组态管理软件所构建的工程环境由主控视窗、设备视窗、应用视窗、实时数据库系统和执行策略等五部门组成。
4.2交通灯的绘制
本文的模拟系统监控界面,由斑马线、十字路口、四方向指示交通灯、四辆卡车,以及起动和停车的按键构成。每个路口分别由三个交通指示牌所构成,四个路口上总共有三十六个交通指示牌,36个交通指示牌分别管理着路口的往来车辆通行。
图4-1交通灯绘制图
4.3交通灯的变量设计
(1)启动按钮X零开关型启动系统
(2)停止按钮X1开关型停止系统
(3)南北直红Y0开关型
(4)南北直黄Y1开关型
(5)南北直绿Y2开关型
(6)南北左红Y3开关型
(7)南北左黄Y4开关型
(8)南北左绿Y5开关型
(9)东西直红Y6开关型
(10)东西直黄Y7开关型
(11)东西直绿Y10开关型
(12)东西左红Y11开关型
(13)东西左黄Y12开关型
(14)东西左绿Y13开关型
(15)东西时间数值型
(16)东西移动数值型
(17)东西左移动数值型
(18)南北时间数值型
(19)南北移动数值型
(20)南北左移数值型
(21)向右转开关型
(22)SS数值型
(23)东西向左转移动之南北数值型
(24)南北左转移动之南北数值型
接着开始数据变量设值。进入到实时的数据库窗口,添加二十二个数据变量,接着开启"统计对象属性设定"的对话框,依次将这些十五个数据变量命名定为X0,X1,Y0,Y1,Y2,Y3,Y4,Y5,Y6,Y7,Y10,Y11,Y12、Y13、右转弯变量类型为开关型。将剩余的统计变量名称更改为东西向时候、东西向移动位置、东西向左移、南北向时候、南北移动、南北左移、SS、东西向左拐移动直南北向、南北向左拐移动直南北向对象类型,均设定为数值类别。接着再将系统中的红、绿、黄色交通灯,与车辆的用户窗口构成参数逐一相应设计。
4.4交通灯的动画脚本程序
监控画面中十字路口车辆的运动时刻要和路口绿灯时刻相同,编制了脚本程序,程序中总的数值反映出的是其移动的距离,脚本程序如下:
IF开=1AND关=0THEN
右转=1
ss=ss+1
IF南北直绿=1THEN
南北移动=南北移动+1
东西左转移动=0
南北左转移动=0
ENDIF
IF东西左绿=1THEN
东西移动=0
IF东西左转移动<6THEN
东西左转移动=东西左转移动+1
ENDIF
IF东西左转移动=6THEN
南北左转移动=南北左转移动+1
ENDIF
ENDIF
IF南北左绿=1THEN
南北移动=0
IF南北左转移动之南北<5THEN
南北左转移动之南北=南北左转移动之南北+1
ENDIF
IF南北左转移动之南北=5THEN
东西左转移动之南北=东西左转移动之南北+1
ENDIF
ENDIF
结语
通过设计,要一次性很难完成的程序,只是很多在调试错误。然后写在程序刚开始运行时仅发现一些亮起,并完成了一个循环周期之后不起来。当时真的不明白从何下手,所以我们要一个一个检查但只发现了一条指令。最后,灯亮,但还是圆。把梯形图仔细地再看了一遍,也看不出有什么问题。忽然想到,程序员们也可以监视并同时在进行监控,从而发现在正常工作的第一个周期的步骤的一切。以后,所以要加的错误的其它特征,并找出。尽管找出错误是一项乏味的工作,但只要你有耐性去做,就一定可以获得一些有益的知识。
通过此次的设计,我不但通过对知识的融会沟通,同时也充实了头脑,在同一时间查不到信息的过程中也认识了不少课外知识,从而拓宽眼界,进一步了解中国电力行业在未来的发展走向,并使本人在知识与能力方面都有了一个质的飞越。
更多推荐




所有评论(0)